***Pour revenir à la page d’accueil** ICI
Le 12/6/2016
Une version plus simple et recommandée :
Le 5/6/13
Aux dernières nouvelles, http://www.electronique-diffusion.f... a supprimé les pinces inductive de leur catalogue...
Le 2 Decembre 2012
La fonction de mesure de dwell a été ajoutée (voir en Annexe la définition détaillée)..Le dwell est le rapport
Durée vis fermées/Durée entre deux ouvertures des vis
On l’exprime en pourcents, typique 65% par exemple, mais aussi en angle de came par la formule
Angle de came = Valeur en pourcent* 360°/Nb de cylindres.
Pour un 4 cylindres, 65% donne 65*360/4 = 58°.

Le 17/11/12 une toute nouvelle version LOGICIEL et MATERIEL.
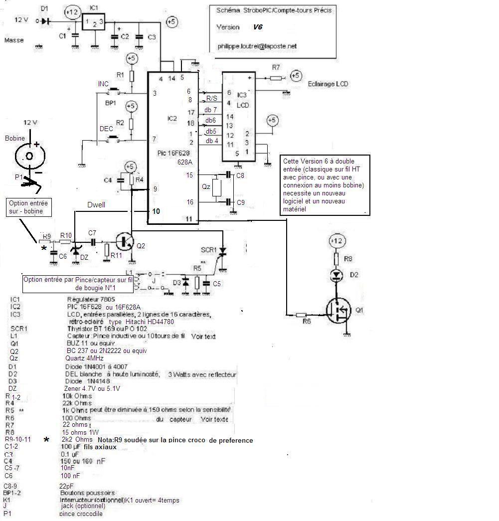
Le StroboPic V6 est une lampe stroboscopique à déphasage qui peut se connecter COMME UN COMPTE-TOURS, c’est à dire à la sortie du primaire de la bobine (le "moins" bobine).
A ma connaissance c’est le seul montage de ce type, toutes les lampes (à déphasage ou non) se connectant sur le fil de bougie N°1 (en général) par l’intermédiaire d’une pince à induction. C’était le cas entr’autres du StroboPic V 1 à 5.
Il y un double intérêt à se connecter sur la bobine :
— pas de pince à approvisionner (ou construire) , souvent difficile à trouver et onéreuse. D’autre part, par principe même, un tel capteur inductif doit détecter un COURANT (dans le fil HT) de très faible intensité (1mA, ordre de grandeur, et de plus dans un milieu très riche en parasites, notamment ceux générés par le flash de la lampe au xénon même ! Concrètement, ceci peut être la cause d’un spot instable et il est recommandé d’utiliser une autre batterie pour alimenter la lampe.
Une telle pince est dans la pratique le "maillon faible" d’une lampe stroboscopique.
— connexion beaucoup plus fiable car au - bobine on dispose d’impulsions de 200 à 300V pic, donc très facile à détecter pour l’électronique.
Un tel mode de connexion impose deux contraintes au microcontroleur qui exécute le logiciel :
— connaitre, donc savoir acquérir le nombre N de cylindres du moteur pour ne déclencher le flash qu’une fois toutes les N étincelles.
— pouvoir se décaler d’une étincelle si nécessaire pour se caler sur celle du cylindre N°1, correspondant au repère sur la poulie.
On verra ci après comment ces deux fonctions sont assurées

On voit les connexions classiques : +12V, masse, flash, une pince inductive enfichée dans son jack sur la platine mais aussi la pince croco verte que l’on peut connecter sur le -bobine (idem le compte-tours d’origine qui s’y trouve déjà en général).

On voit les deux bouton poussoirs : DEC pour décrémenter les degrés à gauche et INC à droite pour les incrémenter.

Ecran de bienvenue lorsque l’on connecte le +12V. Il s’efface après deux secondes.




Si l’on constate que le spot n’est pas calé sur le bon cylindre, il suffit de pousser les deux bouton poussoirs en même temps

Vue de coté : noter la simplicité de réalisation du "boitier", en réalité deux chutes de Plexiglas de 150X60X4mm.




*************Attention : ajouter un strap entre la patte 10 du PIC et la cathode de la zener (fonction dwell)********************
Il est recommandé d’utiliser une imprimante laser et d’imprimer sur une simple feuille A4 de papier blanc quelconque. On expose 10 minutes aux UV (temps non critique ), puis on révèle à la soude (1 volume de Destop pour 5 volume d’eau).
Pour la gravure, il y a certes la méthode habituelle au perchlorure de fer,mais je préfère maintenant de loin utiliser un mélange d’acide chlorhydrique et d’eau oxygénée à 130 volumes : la disparition du cuivre est quasi instantanée, on n’a pas à acheter de graveuse et on ne se tache plus !
Pour plus de détails :
Circuit imprimé: réalisation, gravure


Le fichier .txt est le code source assembleur largement commenté.
Le fichier .hex sert à programmer le PIC. Si vous n’avez pas de programmateur, envoyez moi le Pic, je vous le programmerai : philippe.loutrel@laposte.net (bénévolement, bien entendu !).
22/10/11, La nouvelle version logiciel V5 comprend deux améliorations :
— Suppression du régime maxi : on peut dépasser 10 000t/mn !!!
— Précision améliorée
Un truc : pour multiplier par deux la sensibilité du compte tours pour un 4 temps, passer en mode 2 temps : au lieu de 1200 on lira 600t/mn, par exemple. Bien sur ne pas alors utiliser le flash !
COMPATIBILITE.
Le logiciel V5 est compatible avec la configuration matériel V3/V4.
Le 15/2/10, Une superbe réalisation de StroboPic, par Luc Doutaz, qui a préféré un câblage en point à point plutôt qu’un circuit imprimé : courageux !! (luc.doutaz@laposte.net)



CAPTEUR D’ETINCELLES
L’idéal est d’utiliser une pince spécifique. Celle-ci comporte un noyau de ferrite en deux parties, permettant ainsi d’enserrer un fil de bougie. Sur ce noyau on trouve un bobinage dans lequel est induit un pic de tension (quelques volts) lors de l’établissement et la coupure du courant de bougie.
Certaines pinces peuvent comporter en outre une diode, une résistance et un condensateur. Ces composants sont inutiles avec le StroboPic, mais peuvent être conservés.
Si l’on ne dispose pas d’une telle pince, on peut essayer de bobiner soi-même quelques tours de fil autour du fil de bougie, ou alors d’utiliser un capteur téléphonique à bobine d’induction, mais le résultat est souvent aléatoire : l’affichage peut être instable, sautant fréquemment entre des multiples du régime réel. Par exemple, pour un régime réel de 1100t/mn, on peut lire 2200, ou 3300 ou 4400 etc.
Visiblement, un tel montage n’est pas assez sélectif et capte, en parasites, les étincelles des autres cylindres. Une solution astucieuse est proposée par Fatnours (XXXXXXXXX e mail iciXXXXXX)et en voici un exemple d’application (voir "Photo des capteurs" ci-dessous) :
Se procurer une self antiparasite standard (pour les montages de style gradateur lumineux) chez un revendeur (Perlor par exemple). C’est un anneau (tore) en ferrite de diamètre intérieur au moins égal à 12mm, 15mm dans le cas de la photo jointe.
Débobiner partiellement le fil de cuivre pour dégager un morceau de tore. Conserver pour l’instant le fil en excédant.
Sectionner le tore en deux endroits pour permettre le passage d’un fil de bougie avec un disque abrasif monté sur une mini-perceuse de type Dremmel.
Raccorder la bobine à l’entrée du StroboPic via un câble blindé. Enserrer le fil de bougie N° 1 dans le tore.
Si aucun affichage n’est observé, inverser le sens du tore autour du fil de bougie (ou inverser les connexions du fil blindé, c’est équivalent). Le nombre de spires n’est pas critique ( 15 à 75µH), mais dans certains cas, il peut être nécessaire d’ajouter ou enlever des spires pour obtenir une lecture parfaitement stable (d’où l’utilisation possible du fil débobiné).
On peut aussi diminuer la valeur de R5 entre 1k et 150 ohms, pour faire décroître la sensibilité du capteur.
Finalement, pour une plus grande facilité d’utilisation, il est recommandé de coller les deux parties de tores à l’intérieur des mâchoires d’une pince type chargeur de batterie ou câbles de démarrage.
|
Capteurs d’étincelle et flash
Capteurs d’étincelle et flash
|
Une lampe stroboscopique est utile pour régler l’avance à l’allumage en mesurant cette avance, D, en degrés de vilebrequin à plusieurs régimes moteur, N ,en tours/minute (t/mn).
Les ordres de grandeur sont : N = 1000 t/mn, D = 7° à 15° ; N = 5000 t/mn, D = 30° à 45°.
Quand N augmente, il est logique que D augmente aussi car en 1 milliseconde (ms) le vilebrequin tourne d’un angle plus important.
Dans l’utilisation d’une lampe stroboscopique, le nombre de cylindres n’intervient pas, seulement le type de moteur, 2 ou 4 temps.
Que l’avance soit générée mécaniquement par des masselottes dans l’allumeur, ou électroniquement par un microprocesseur (allumage type AEPL), l’objectif est toujours le même : allumer le mélange air/essence comprimé dans le cylindre environ 1,5 ms AVANT le point mort haut d’allumage (PMH) de façon à obtenir la pression maximale sur le piston un peu après le PMH.
Cette durée, qui varie de 1,7 ms pour 10° à 1000 t/mn à 1 ms pour 30° à 5000 t/mn, est liée au temps de propagation du front de flamme dans le mélange comprimé.
Pour les moteurs anciens, à chambre « en baignoire » (soupapes verticales), les conditions ne sont pas idéales et il faut « allumer plus tôt » : 45° d’avance au delà de 4500 t/mn sur les moteurs SIMCA des années 60, par exemple.
Sur le carter moteur, ou d’embrayage, on trouve le repère fixe, correspondant au PMH du cylindre N° 1. Le piston du cylindre N° 1 est en position PMH lorsque le repère mobile sur la poulie de vilebrequin, ou le volant moteur, est aligné avec le repère fixe.
Une lampe stroboscopique élémentaire est une lampe au néon (couleur orange) ou au xénon (couleur blanche) branchée en série avec la bougie du cylindre N°1. Lorsque l’étincelle se produit, la lampe émet un bref éclat (quelques centaines de microsecondes). Cet éclat est bien sur toujours synchrone avec l’étincelle.
Par exemple, en pointant la lampe vers le repère fixe à N = 1000 t/mn, on voit le repère mobile à proximité. La persistance rétinienne donne l’illusion d’un repère mobile figé 10° environ AVANT le repère fixe, à sa gauche si le moteur tourne dans le sens horaire. En accélérant, l’avance augmente et l’on observe un décalage du repère mobile de plus en plus important vers la gauche.
Si l’on disposait d’une échelle graduée de 0° (PMH) à 45° le long de la poulie moteur on pourrait ainsi relever la courbe d’avance , c’est à dire, par exemple, noter les valeurs de D pour N = 1000, 2000, 3000, 4000, 5000 t/mn.
Dans la pratique, il est plus simple et plus précis d’utiliser une lampe à déphasage.
On retrouve un tube à éclat (xénon en général) mais avec sa propre alimentation à haute tension, indépendante de la bougie. On trouve en outre un circuit électronique de déphasage et un dispositif d’affichage de N et D.
Un capteur inductif enserre le fil de bougie N°1 afin de détecter le passage du courant d’étincelle. Ce signal déclenche l’éclat avec un certain retard. L’éclat n’est donc plus synchrone avec l’étincelle, il est déphasé.
La valeur de ce retard est fixée par l’utilisateur au moyen d’une molette, ou de boutons poussoirs. L’action sur la molette entraîne le glissement du repère mobile.
Pour un régime donné N, on amène le repère mobile en conjonction avec le repère fixe. On lit alors la valeur D, exprimée en degrés.
On augmente N (en vissant la vis de ralenti), le repère mobile glisse vers la gauche, on le ramène en conjonction avec le repère fixe, on lit une nouvelle valeur de D, etc.
L’affichage des valeurs N et D est soit analogique, à l’aide d’une aiguille sur un cadran, soit numérique, ce qui est préférable. L’ensemble se présente souvent sous la forme d’un « pistolet stroboscopique ». Une telle lampe fournit un éclat très lumineux, ce qui est un avantage, mais elle présente deux inconvénients : un majeur, son prix (environ 250€ pour un milieu de gamme), et un mineur, son volume, lorsque le compartiment moteur est encombré.
J’ai donc décidé de réaliser une lampe bon marché en repensant le problème.
La première idée est de supprimer le couteux et encombrant tube à éclat (et par conséquent son électronique d’alimentation en haute tension) en le remplaçant par des DEL blanches (Diode Electro-Luminescente) à haute luminosité.
La seconde idée est d’utiliser un microprocesseur PIC 16F628 pour diminuer considérablement le nombre de composants électroniques, le logiciel se substituant au matériel .
L’ensemble tient dans un boîtier de 9x6x3 cm et la source lumineuse, constituée par 3 DEL, est déportée au bout d’un fil, plus facile à manier dans un compartiment moteur. L’éclat obtenu est certes plus faible qu’avec un tube au xénon, mais il est suffisant et surtout le prix de l’ensemble est quasiment divisé par 10.
Le boîtier comporte 2 lignes d’affichage à cristaux liquides (LCD), rétro-éclairé. La première ligne indique N entre 400 et 6500 t/mn, avec une définition de 2 t/mn. La deuxième ligne indique D entre 1° et 50° (Voir les photos ci -après). On dispose de deux boutons poussoirs pour déplacer le repère mobile vers la gauche ou vers la droite, et éventuellement un interrupteur pour moteurs 2 temps ou 4 temps.
Trois fils sortent du boîtier :
l’alimentation
en 12V (à connecter sur l’auto),
le capteur inductif composé d’une pince
spéciale ou de 10 tours de fil sur le fil de bougie N°1 ,
fil de la source lumineuse déportée.
L’affichage est sur 4 chiffres avec une précision de 2 tours par minute. On utilise un tel compte-tours pour régler la richesse au ralenti ainsi que la synchro pour 2 carburateurs, ou plus.

Voir le schéma de l’ensemble, le typon et le plan d’implantation des composants ci-après. En utilisant le typon, réaliser le circuit imprimé (CI) sur une plaque époxy simple face .
Puis, en utilisant le plan d’implantation des composant :
Souder
les straps,
Souder
la barrette sécable mâle sur le LCD et la femelle
sur le CI .
Souder
tous les composants et régler la résistance ajustable RA1 à 130 ohms
entre les broches 1 et 3 du LCD (elle règle le contraste
de l’affichage).
Dans
le couvercle du boîtier, découper une fenêtre pour
l’afficheur .
Dans
le corps du boîtier, sur les côtés, percer des
trous pour les deux jacks femelles, le passage du fil d’alimentation,
les deux boutons-poussoirs et l’interrupteur 2/4 temps si vous retenez
cette option (4 temps seulement si cet interrupteur n’est pas monté).
Avec un programmateur de PIC relié à un PC, télécharger 628STRBx.hex vers le PIC (x est le N° de version du programme).
Enficher le PIC sur son supports en respectant l’orientation : encoche du circuit intégré coté patte N°1 (repérée sur le circuit imprimé).
Capteur inductif : une pince du commerce est la meilleur solution (AEE tel 03 85 413 037, 25.75€ HT). Si vous le réalisez vous même, je recommande de fabriquer un fil de bougie N° 1 spécifique à substituer au fil d’origine pendant la mesure de l’avance : enrouler serré 10 tours de fil quelconque autour d’un morceau de fil de bougie et les maintenir en place avec du ruban adhésif. Souder le câble blindé aux deux extrémités de l’enroulement.
|
Implantation V3 ou V4
V4 Remplacer D5 par un strap
|
|
Typon stoposcopic V3 ou V4
V4 Remplacer D5 par un strap
|
Connecter
le + alimentation au + bobine, ou à la batterie.
Connecter le - alimentation à une masse
quelconque.
Connecter la pince à induction en respectant son orientation (repérée par une flèche,
en général) par rapport à la bougie.
Marquer au Tipex (ou craie blanche) les repères
fixes et mobiles pour les rendre plus visibles.
Démarrer. Les DEL doivent clignoter et le régime moteur s’afficher.
Si rien n’apparaît sur l’écran :
avec un capteur bobiné, intervertir ses
connexions
retoucher RA1, le réglage du contraste
D est initialisé à 10°. En utiliser les boutons poussoirs, amener les repères fixe et mobile en coïncidence et lire D.
Pour ceux qui veulent comprendre « comment ça marche », voici un descriptif qui se réfère au listing assembleur 628STRBx.asm abondamment commenté.
Le Pic 16F628 fonctionne avec son oscillateur interne à 4 MHz, donc sans le quartz habituel et les deux condensateurs associés.
Le signal provenant du capteur inductif est une impulsion de quelques volts, de durée quelques microsecondes pour chaque étincelle au cylindre N°1.Elle déclenche le thyristor SCR1 dont l’anode passe de 5 V à 0.5V.
Ce front descendant crée une interruption au niveau du PIC, qui exécute alors l’ISR (Interrupt Service Routine) implantée à l’adresse 4 en ROM. La durée T entre deux étincelles est mesurée par le Timer0 du PIC, qui est donc une seconde source d’interruption. L’ISR fait le tri entre ces deux sources.
Le programme principal (MAIN) lit la valeur de T stockée sur 16 bits, en unités de 8 µs. Il effectue le calcul du nombre de tours par minute, N, à partir de la période T, puis le calcul du délai D à appliquer avant l’émission du flash, fonction du nombre de degrés demandé par l’utilisateur avec les boutons poussoirs. Ces calculs sont effectués en arithmétique flottante sur 32 bits .
La SUB FLASH allume les DEL pendant 48 µs seulement afin que la largeur du spot soit de l’ordre de 1°. On peut augmenter cette valeur pour obtenir un spot plus brillant mais il sera aussi plus large . C’est au goût de chacun(voir la constante Dflash au début de 628STRBx.asm).Ensuite les SUB AFFIC_N4ch et AFFIC_DEG affichent ces valeurs.
La SUB CHKSWM lit l’état des boutons poussoirs et augmente ou diminue le nombre de degrés demandé si l’un d’entre eux est appuyé. Enfin c’est le retour à la boucle d’attente jusqu’à la prochaine étincelle
Fichier hexa à télécharger dans le PIC : 628STRBx.hexPour information le logiciel source : 628STRBx.asm Le typon et l’implantation Voir plus bas, ou sur http://a110.free.fr
Tout ceci est gratuit, libre de tout droit.
Je vous remercie par avance de tous vos commentaires par e-mail : philippe.loutrel@laposte.net
Remerciements à Ludovic, qui a repensé le circuit imprimé, Cedric, Laurent et Jean-Luc qui ont tous activement participé à la mise au point
|
V4 avec regulation du courant
dans la LED en option
|
Téléchargement
Le Dwell s’exprime en % ou en degrès allumeur. Par exemple, pour un allumeur Ducellier de R8G ou Alpine il est environ de 57° ce qui veut dire que sur les 90° de rotation d’une came à la suivante, les vis restent fermées (donc la bobine se recharge) pendant 57°.
Une variante est de l’exprimer en %, soit 57/90, donc environ 63%. Pour un allumage classique on règle indirectement le dwell en jouant sur répartement des vis platinées : trop d’ecartement, le dwell est trop faible (le courant n’est établi que trop peu de temps) et vice versa. Sur l’Aepl, l’ouverture des vis ne sert qu’à indiquer au Pic le passage du piston 45° avant le point mort haut allumage(PMH). Apès attente d’un délai correspondant à l’avance désirée à ce regime moteur, le Pic coupe le courant dans la bobine pendant 1 milliseconde(1ms) puis le retablit. Ce temps de 1ms est suffisant pour une bonne étincelle. En contrepartie, la bobine est pratiquement toujours alimentée (sauf 1ms par cycle) et chauffe donc un peu plus que dans le cas classique.
Avec une bobine standard cela ne présente pas d’inconvénient : sa resistance typique est de 3 ohms soit I=12/3= 4A, courant tout à fait acceptable par le Darlington de sortie qui chauffe donc modérément. Par contre, avec une bobine de 1 ohm (dite "electronique" ou "haute performances") le courant serait de 12V/1= 12A, limite pour le Darlington et surtout pour la bobine qui devrait dissiper une puissance de 12V*12A = 144Watts.
On voit donc la necessité de limiter le TEMPS DE CHARGE c’est à dire la durée du courant dans la bobine entre deux étincelles. Voyons quelques ordres de grandeur : à 7500t/mn sur un 4 cylindres le délai entre étincelles est de 4ms. La durée d’étincelle etant de 1ms environ il reste 3ms pour recharger la bobine. Or une bobine de 9 milli Henrys(mH) et 3 ohms a une constante de temps de 9/3= 3ms. Sachant qu’il faut 3 constantes de temps pour atteindre 95% de la charge maxi soit 9ms, on voit bien qu’à ce régime moteur on est loin de recharger complètement la bobine ! En réalité, après une constante de temps, soit 3ms, on est à 63% de la charge maxi. Un pas vers la solution de ce problème est de DIMINUER l’inductance L de la bobine ce qui diminue d’autant la constante de temps (L/R), à resistance R égale. Mais alors on diminue aussi la force-electro-motrice induite au primaire de la bobine quand on coupe le courant (e=-Ldi/dt). Prenons l’exemple d’une bobine standard : L typique est 9mH, on trouve 300V au primaire , un rapport de 100 entre spires primaire et secondaire, soit 30 000V à la bougie. Si on divise L par 2 pour améliorer la constante de temps, on n’a plus que 150V au primaire et 15 000V à la bougie. Pour compenser, on augmente le nombre de spires au secondaire, passant d’un rapport de 100 à 200, par exemple, ce qui, en théorie, restitue les 30 000V souhaités. Du point de vue de Energie stockée dans la bobine, soit 1/2LI² on en a perdu la moitié, ce qui est regrettable. L’idée est donc de réduire L mais aussi R (fil de cuivre de section plus forte) : comme l’intensité est au carré, on peut augmenter Energie avec I de l’ordre de 12A , R=1 ohm, tout en ayant une constante de temps raisonnable. Bien entendu pour ces courants supérieurs à 4A , les vis ne suffisent plus et c’est un transistor de puissance, préférablement de type DARLINGTON ou mieux, IGBT(Insulated Gate Bi-Polar Transistor) qui assure la coupure et le rétablissement du courant dans la bobine.
Un schéma electronique simplissime pour mesurer le dwell

Ce qui donne au scope



