***Pour revenir à la page d’accueil** ICI
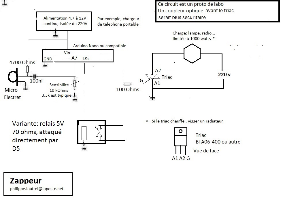
Ce premier zappeur réagit au bruit comme un claquement des deux mains. Il coupe pendant un temps adaptable dans le ’sketch’( le logiciel s’exécute sur un Arduino Nano ou compatible) l’alimentation d’une charge connectée sur le secteur 220V, par exemple une radio le temps d’une pub.En variante, il actionne un relais.
Mars 2018 : modifié pour ne réagir qu’à deux claps distants de moins de 1 seconde.
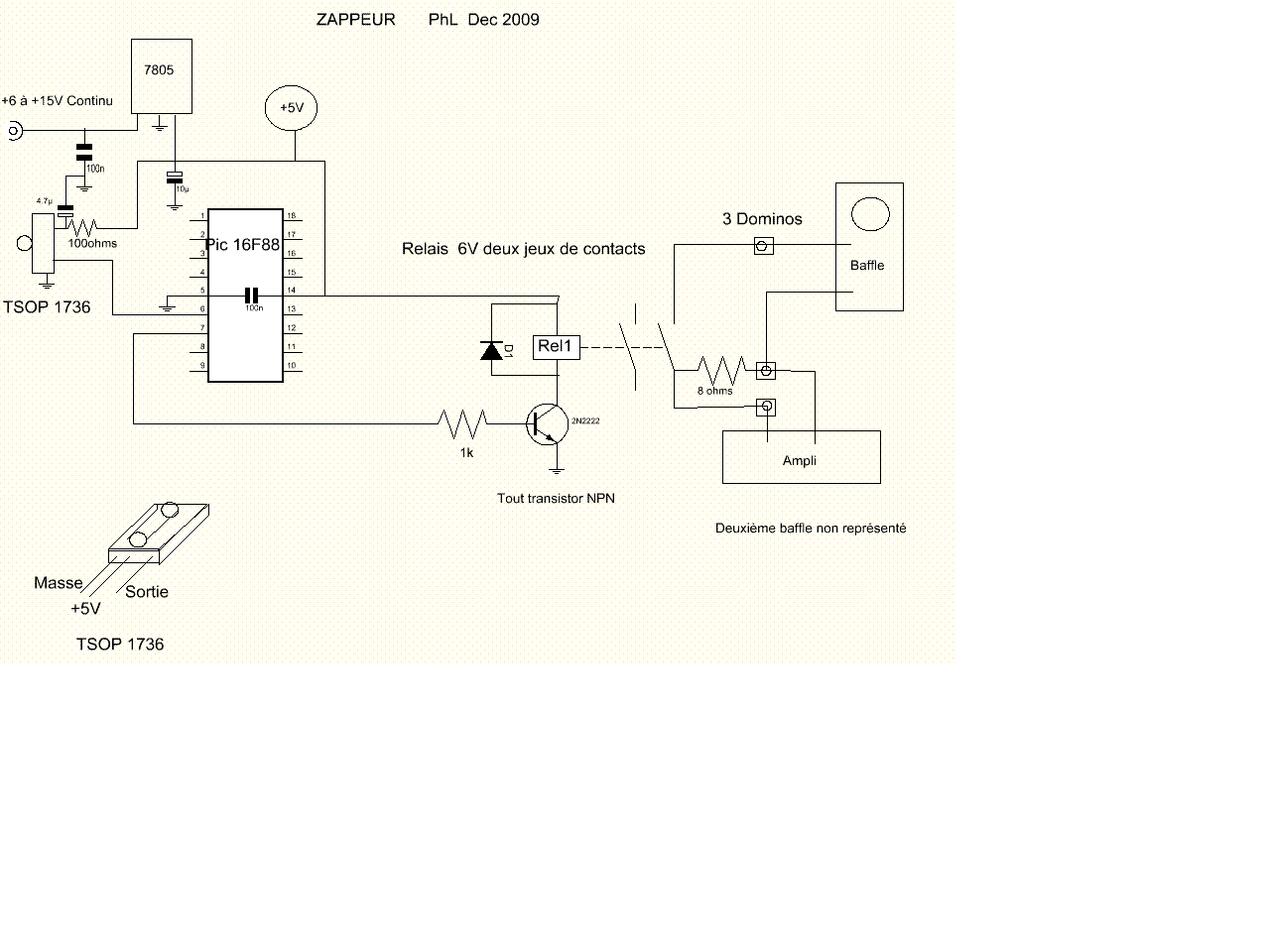
Le deuxième zappeur activé par toute télécommande infra rouge (type TV etc). Il ouvre ou ferme un relais.



Il n’ y a que 7 composants, y compris l’Arduino, plus une alimentation, typiquement un chargeur type USB ou autre de 5 à 12 V, éventuellement une pile de 9 V.Il est fondamental que la sortie de cette alimentation soit isolée du secteur 220V, sinon c’est le flash garanti...
Un circuit imprimé est donc tout à fait optionnel. Notons que le prix global des composants, hors alimentation, est inférieur à 10€....
Le potentiomètre de 10 kOhms à pour rôle d’ajuster la sensibilité au niveau désiré.

Le logiciel à téléverser dans un Arduino est ici :
Comment ça marche Le micro électret est polarisé par la résistance de 4.7k.Son signal est faible, quelques dizaines de millivolts, mais l’on se passe d’amplification ( par transistor typiquement ou AOP ) en utilisant le convertisseur analogique-numérique du Nano, dont la sensibilité est 5 mv par unité. On n’amplifie pas le signal, on le détecte directement.
En sortie, on attaque directement la gâchette d’un triac, le Nano fournissant les 50 mA environ nécessaires à son déclenchement.Ceci permet de se passer d’un relais précédé en général d’un transistor.
En variante, on attaque la bobine de 70 ohms d’un relais 5V.La protection habituelle par diode de roue libre est inutile.


Bien entendu, le relais peut être utilisé pour une tout autre application.
Pour couper le son on appui sur une touche quelconque de la télécommande.
Une coupure d’une minute par défaut est proposée. Au delà le son se rétablit de lui même. Si l’on désire modifier la durée de cette coupure, dans le listing en assembleur, changer la valeur de DELAI qui apparaît dans les premières lignes et vaut 120 par défaut.
A tout moment on peut volontairement rétablir le son en appuyant sur une touche.
Les salves d’infrarouge (IR) émises par la télécommande sont détectées, amplifiées et filtrées par le récepteur TSOP 1736, circuit spécialisé, très performant et bon marché. Une porteuse à 36kHz est utilisée pour se protéger des émissions des lampes au néon(classiques ou basse consommation). Le filtrage en fréquence n’est pas hyper sélectif et le standard SONY à 40kHz est bien accepté.
Le TSOP founit un niveau +5V en absence d’IR et ce niveau passe à 0V quand une émission est détectée.
Le rôle du microcontrôleur PIC est d’attendre le passage de +5V à 0V d’un signal IR valide de début de trame. Une une trame dure environ 18ms chez Sony.
Puis il attend 45ms et là on se donne une fenêtre d’environ 4ms pour détecter un niveau 0V correspondant au début de la trame suivante.
Cette procédure qui peut paraitre complexe est indispensable pour s’affranchir des parasites qui se manifestent fréquemment avec ce genre de rayonnement.
Pour ménager l’ampli, une résistance de 8 ohms est insérée sur chaque voie, pour charger l’ampli lorsque le relais est ouvert.
Un PIC16F88 a été choisi car il dispose en interne d’un oscillateur à 4MHz, permettant de diminuer le nombre de composants, mais un 16F84 ou 16F628 feraient aussi l’affaire.
Vu le nombre restreint de composants on utilise un morceau de plaque perforé et on soude les composant point à point.
Le capteur infrarouge est placé sur l’avant du boitier, ses trois pattes passant à travers trois trous.
Les deux paires de fil connectant les baffles à l’ampli sont coupés et connectés sur les 6 dominos à l’arrière du boitier.
Les photos montrent une LED utilisée pendant la mise au point, mais inutile en version standard.




Bonjour DOMI99
il peut y avoir des ratées, désolé.
Me joindre alors sur
philippe@loutrel.org
