
***Pour revenir à la page d’accueil** ICI
Ce montage a été conçu par Jean-Marc Rachard qui l’a monté sur sa 4cv légèrement modifiée car disposant d’un superbe moteur Gordini 1296cc !!
Juin 2015 Un nouveauté chez G Cousin :
9x32 pour boite 364 9x34 pour boite 365

• Supprimer la zone hachurée du support. Attention le support droit est différent du gauche.
![]() |
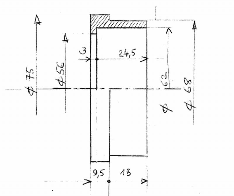
• Réaliser une bague aux cotes suivantes. Ø68 0/+0,02 et Ø62 0/-0,02
![]() |
• Réduire de 6, 4mm la zone du moyeu en contact avec le roulement. Le moyeu d’origine (Image de droite) et le moyeu avant et après (à gauche)

• Il n’est pas nécessaire de modifier la trompette ni l’arbre de transmission. La face du roulement coté intérieur est la face de référence, le surcroit d’épaisseur (6,4mm) est grignoté sur le support et le moyeu
• A gauche le nouveau support sans joint puisque le roulement est étanche des deux cotés. A droite le support d’origine avec ses goujons. Pour la mise en place du disque avec son moyeu il sera nécessaire de dé goujonner le support.

• L’ancien roulement n° 9947 : 25x68x19 est protégé coté roue par un joint 38x52x8. Le nouveau roulement à deux rangées de billes à contact oblique n° 3305 2RS : 25x62x25, 4. • Le jeu réduit contribue à la réduction des bruits de plaquettes et vibrations de flasques. Le repoussement des plaquettes étant moindre, la garde à la pédale de frein est moins importante.

RACHARD Jean-Marc



Michel Camus a qui j’avais confié mes deux moyeux et les deux supports de roulement débarassés de leurs 3 goujons m’a rendu
— les moyeux raccourcis mais, qu’on se rassure, sur les 6.4mm enlevés, il y a à peine 1mm de cannelures donc c’est parfaitement négligeable. Notons qu’il faut déposer les 3 goujons de roue pour tenir le moyeu dans le mandrin de tour.
— les deux supports équipés de leurs roulements, les bagues soudées au TIG et l’ensemble repeint en prime !
Coût : 200€ sans les roulements, 380€ avec les roulements.

Merci à Didier à Marneau didiermarneau@free.fr
Bonsoir
Merci pour cette super modif qui rend enfin son principe de guidage aux roues AR de R8 ^^
Une simple question me vient : qu’est ce qui retiens la cage extérieure de roulement vers la partie moyeu ? en effet les véhicules récents qui ont ce type de roulement, on d’une part un rebord, de l’autre un clips de maintient .. mais la on surprime le rebord en coupant la parti hachurée de la 1ère figure pour mettre une bague droite .... vous faites donc confiance au simple montage "en force" à la presse ?
Cordialement Julien
désolé pour la question idiote à laquelle je viens de répondre seul, relisant de nouveau on voit bien dans les cotes de la bague le rebord.
Comme on ne le vois pas clairement sur la photo, j’ai parlé trop vite, je relirais 7 fois l’article dans ma tete et tournerais 7 fois mes doigts autours de mon clavier la prochaine fois ....
Bonjour Julien "que celui qui ne s"est jamais gouré te jette la première pierre.." !!
Tes remarques me donnent l’opportunité de faire le point sur ce montage après essais "sérieux" avec un 1800 et boite à rapports rapprochés : ça ne prend pas un poil de jeu ! De plus, je confirme l’avantage du contre-écrou en lieu et place de cette stupide goupille qui n’est jamais en face du trou, une fois le serrage à 20m.kg effectué.
